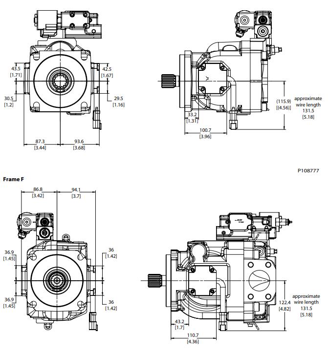
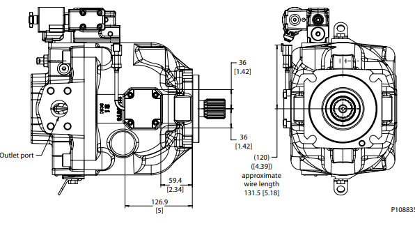
Sauer Danfoss Series 45 Open Circuit Axial Piston Pumps
Name:variable axial piston pump
Pump Type:PISTON PUMP
Displacement: 25-147cc
Place of Origin:Zhejiang, China
Power:Hydraulic Packaging & Delivery
Working pressure range:350bar~400bar
control mode:Pressure flow control
Material:cast iron
Operating mode:open circuit
Warranty:1 Year
Minimum Order:1 Pieces
Supply Ability:2500 Piece/ Month
















