offers original and replacement SS18 Monoblock valve for high flow applications for our customers. We will save customer costs, increase productivity and profit margins, Welcome to
Get Latest Price now!
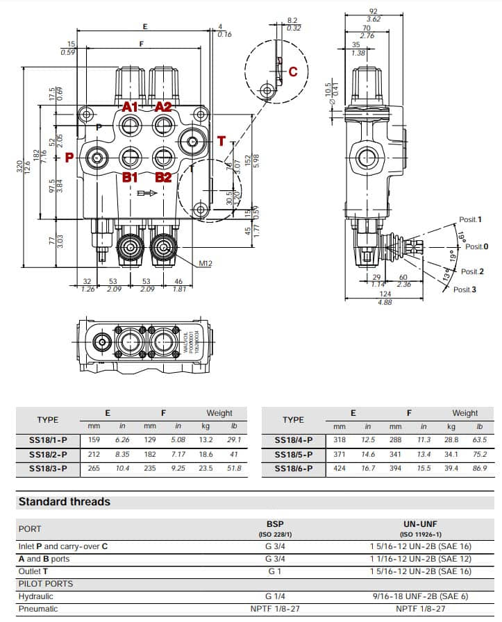
Nominal Flow Rating l/min - (US gpm): 160 (42)
Max. Pressure bar - (psi): 250 (3600)
Number of Sections: 6
Pitch mm (in): 53 (2,09)
Thanks to its robust construction, the SS18 valve is used in agricultural machinery to control motors for large Boom Mowers,
and in Industrial Vehicles such as Waste Compactors and drain systems.
Single check valve
Manual, hydraulic, electro-hydraulic and pneumatic controls.
Place of Origin:Ningbo, China
Warranty:1 Year
Minimum Order:1 Pieces
Supply Ability:1000 Piece/ Month



PROVIDING EXCELLENT SOLUTIONS BY SAIVS™
Speak to one of our experts today to learn more about our SS18 Monoblock valve for high flow applications products solutions.
Request a Quote
Tags: high flow applications monoblock valves